Sarch
English
Products Show

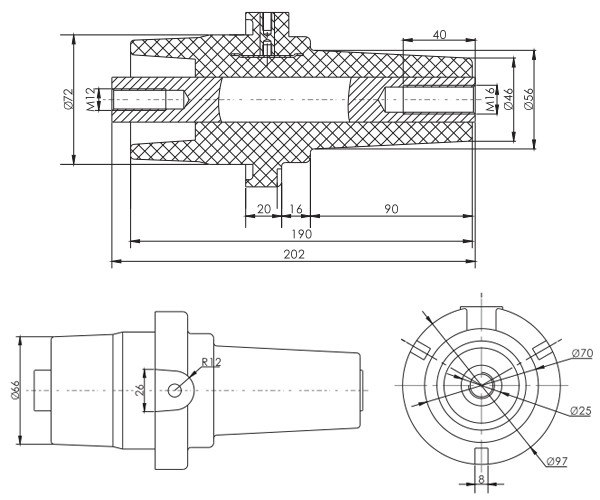
202 Bushing

Product Model:CQTG-202

Category:15/24kV Epoxy resin insulating bushing series

Order online

Product Details

Technical Parameters

b014_2.jpg

Previous:None

Next:198 Bushing